Chassis: diverse in gleichem Gehäuse
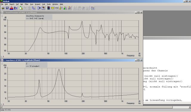
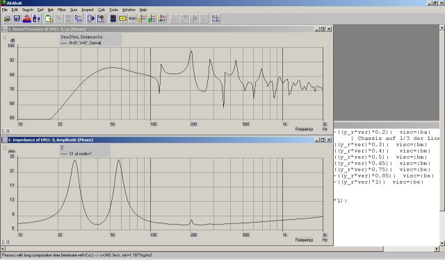
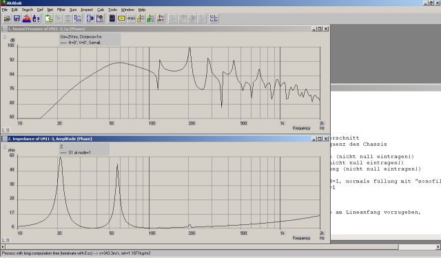
Die Idee hinter diesem Vergleichstest war die, über die vorhandenen Tieftöner einen Überblick zu bekommen. Wie sich die Chassispositionierung auf die Funktion der TML auswirkt, konnte ja inzwischen in der Theorie und der Praxis im groben nachgewiesen werden, so dass man sich im groben für den Bedarf nach einer Bauweise mit viel oder wenig Dämpfung im Rohr, Chassis auf 1/3 oder 1/5 etc entscheiden kann. Um nun auch in der Theorie zu sehen, ob die Simulation die Ergebnisse zureichend exakt vorhersagen kann, habe ich ein Gehäuse gebaut, in das alle Chassis der Reihe nach eingebaut wurden. Auf diese Weise lässt sich auf jeden fall die Variable des Gehäuses ausschließen - diverse Undichtigkeiten in einem geschraubten/mit Dichtband gebauten Gehäuse bleiben eben doch, seien sie auch noch so minimal. Wie bei Bassreflex oder DB gilt auch hier, das ein einzelnes Bohrloch keine Undichtigkeit macht, es kommt auch auf die Position dieses loches an, aber mit der Fläche kommt auch der Verlust ;)
Bei der Beurteilung achte ich hauptsächlich auf den Abgleich der abfallenden Flanke und ihre Form in der Summe im Vergleich zur Simulation. Die erste ungewünschte Resonanz, die bei der dreifachen Abstimmfrequenz auftritt, hält zur Beurteilung nicht unbedingt her, die ist einfach da, wenn man das chassis auf einer Position X einsetzt. Aber: auch hier gibt es tendenzielle Ähnlichkeiten zu sehen, die Höhe/tiefe der Auswirkungen auf den Frequenzgang sind in Simulation und Messung vergleichbaren Ausmaßes.
Hätte ich das chassis noch ein paar cm über den 1/3-Punkt hinausgeschoben, wäre dieser Einbruch auch vollkommen verschwunden.
Beschreibung des Gehäuses
Beyma 6B30P
Monacor SPH165
Monacor SPH170
Vifa 17WN225
ETON 7-360
Visaton W170S
Schiek 6.5"
Omnes MW 8.01
Beyma 10LW30/N
Peerless SLS10
Zusammenfassung/Fazit





























