Messung der TSP
| Fs = 38.82 Hz Re = 8.20 ohms[dc] Le = 1980.61 uH L2 = 3849.23 uH R2 = 9.30 ohms Qt = 0.88 Qes = 0.94 Qms = 12.76 Mms = 43.22 grams Rms = 0.825973 kg/s |
Cms = 0.000389 m/N Closed Box Method: |
Dazu ein
kurzes Wort: Bei den Chassis handelt es sich um günstige
Schaumstoffsickenchassis von einer Resterampe, hauptsächlich aus
Spieltrieb und Hoffnung auf einen hohen Gesamt-Q angeschafft. Wie man
sieht, war die Anschaffung sinnvoll :-)
1. Testgehäuse - normale Transmissionline
Linelänge: 225cm
gemessen wird
von deckel bis boden und von dort aus wieder bis zum ausgang.
Die
Unterschiede zum miteinbeziehen der faltungsbereiche sind minimalst
und daher vernachlässigt
Kanalquerschnitt beträgt sd
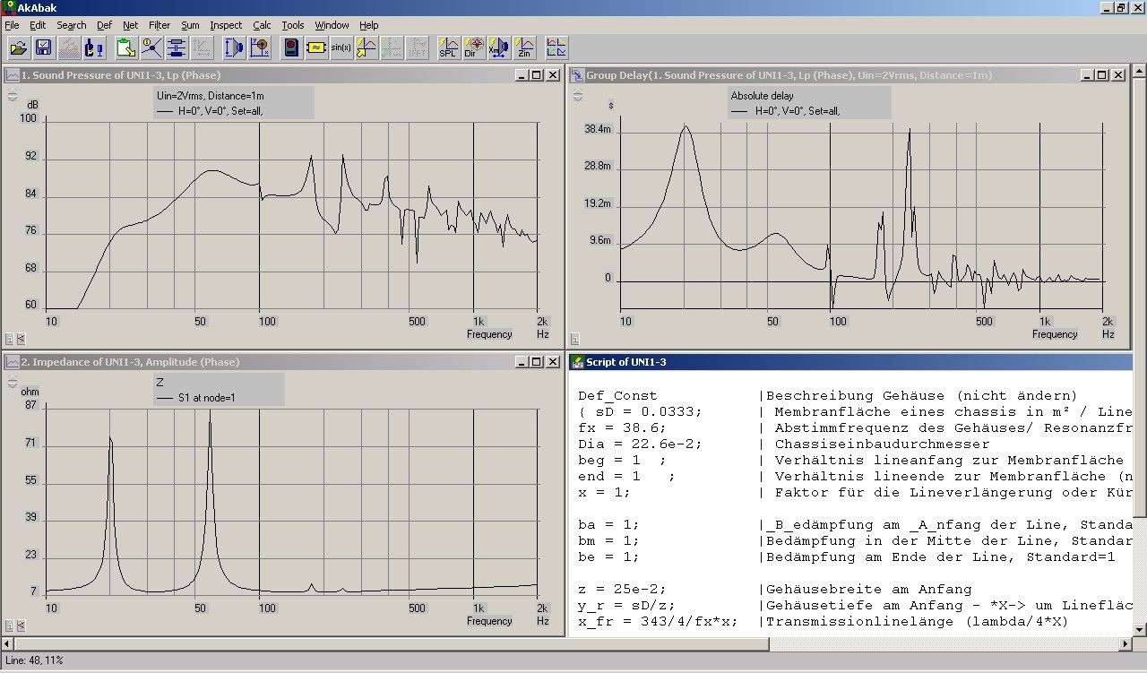
1. Chassis auf 1/3 der Line
| Impedanz | Frequenzgang | Simulation |
![]() |
![]() |
![]() |
Chassis auf 1/3 und 1/5
Impedanz
| Impedanz | Frequenzgang | Simulation |
![]() |
![]() |
![]() |
2. Testgehäuse - Linelänge * 1.75
Linelänge: 400cm
gemessen wird
von deckel bis boden und von dort aus wieder bis zum ausgang.
Die
Unterschiede zum miteinbeziehen der faltungsbereiche sind minimalst
und daher vernachlässigt
Kanalquerschnitt beträgt sd
1.Chassis 1/3 der Line +5cm
| Impedanz | Frequenzgang | Simulation |
![]() |
![]() |
![]() |
Chassis auf 1/3 und 1/5
| Impedanz | Frequenzgang | Simulation |
![]() |
![]() |
![]() |
3. Testgehäuse: doppelt dicke Line
Linelänge = normale Line *0.7
Linefläche am Anfang: Sd*2
Linefläche am Ausgang: Sd*0.4
Verhältnis Fläche Ausgang/anfang: 0.2
Linelänge= 2,25*0.7= 1,57m
Linefläche am Anfang: ~666cm²
Linefläche am Ausgang: ~133cm
1. Chassis auf 1/3 der Line
| Impedanz | Frequenzgang | Simulation |
![]() |
![]() |
![]() |














