Rumweg
Es stapeln sich die Chassis und die Gedanken schießen durch den Kopf.
Also Eins nach dem Anderen und wie alle Anfänger bei einer absoluten
Eigenentwicklung fängt man am besten mit einem kleinen Zweiwegerich an.
Warum? Nach einiger Zeit halte ich das für am zielführendsten, weil
Messungen im Bereich der Trennung einer typischen 17/25 Kombination für
die meisten unproblematisch durchzuführen sind - ab 1,5 m Abstand in
alle Richtungen bekommt man ja schon bis 300Hz "Genauigkeit" hin -
zumindest hat man eine Welle drauf. Und wenn ich bei mir die Box auf
den Couchtisch auf nen Hocker stelle und das Sofa zur Seite schiebe,
hab ich in jede Richtung knapp 1,5m bis zur nächsten Wand, 1m bis zu
den nächsten reflektionsflächen (Tisch, staffelei, Couch). Die erste
Reflektion ist jedenfalls immer klar sichtbar und ich bekomme ca. 130 -
200 Samples an Auflösung hin.
Davon ab halten sich die Kosten für eine Zweiweg-Weiche noch im
geringen Kostenrahmen und auch der eine oder andere Nachkauf kann
verkraftet werden. Der typische Dreiweger erfordert außerdem riesige
Messfenster für die Trennung zwischen Mitteltöner und Tieftöner, daher
dieses an dieser Stelle. Mal ganz davon ab, das das ganze passiv zum
Roulette wird und damit schnell zum Bauteilegrab.
Fangen wir also an, was trieb mich um? Bei einem bekannten stehen zur
Zeit die CT188 Update. Naja. Eine steht. Seitlich vom Sofa in der Ecke.
Die andere liegt hinter dem TV, "sun-fire". Seit das Wohnzimmer neue
Möbel bekommen hat, gehts eben nicht anders und bevor ich bei meinen
nächsten besuchen noch 5 mal frage, ob er die Lautsprecher denn im
Kämmerlein stehen lassen will, hat er sie so aufgestellt - und ganz
ohne musik gings dann auch nicht
Was gibt der Raum vor? Längeres Rechteck, mit der Möglichkeit, die
Lautsprecher an der langen seite relativ symmetrisch in der Mitte
aufzustellen. Aufzustellen ist gelogen - man kann sie aufhängen oder
aufs Regal packen. Standboxen kommen nicht in frage, genausowenig kommt
großartiger Abstand zu den Wänden in Frage.
Daher die Idee: ich nehme einen der 17er, die hier rumliegen, stecke
ihn in ein kompaktes CB und spendiere ihm eine Kalotte obendrüber. Die
wahl fiel auf den ordinären Visaton W170S, der in 7-9 Liter wandert und
den RFT L9821 als Hochtöner. Wurde ja normalerweise als Mitteltöner
verbaut, ist aber auch nicht viel größer als die typische
Standard-Kalodde. ich denke mal, an dieser Stelle wird klar, das das
Projekt so nicht wirklich nachbaubar sein wird
Da das ganze kompakt werden soll, legte sich die Schallwand von selbst
auf 22*35 fest - nah, aber ganz direkt an die Wand sollen sie auch
wieder nicht montiert werden, so dass sich ein Aufbau mit breiter
Schallwand nicht nur außerhalb der Akzeptanz des zukunftigen Besitzers
findet, sondern sich auch nicht wirklich lohnt. 20cm tief wird die Box,
damit komme ich auf roundabout 9 Liter lichtes Innenvolumen.
Die Vorab-Version sieht so aus:

Also ab an den Amp und die Einzelfrequenzgänge auf Achse auf Höhe des
Hochtöners in 1m Entfernung gemessen:

Und weils so schön ist, noch mal unter 30 Grad:

Die erste version der Weiche entstand in der DCX2496 und hat sich auch
brav gemessen. Sie bestand aus eine 12db-Filter für den W170S sowie
einem 6db-Filter ab 5khz für den RFT-Hochtöner. Das hat sich gut
gemessen, auch der Klirr war weit ab von dem, was ich erwartet hätte,
eigentlich hätte man die Weiche so in die "analoge realität"
transportieren können. Allerdings hielt mich dann doch die mögliche
thermische Belastbarkeit des Hochtöners davon ab, diese Variante
tatsächlich zu nutzen. Zunächst hatte ich eben diese thermische
belastbarkeit vollkommen außen vor gelassen, gar nicht dran gedacht.
Nachdem ich die 4 standard-Messungen gemacht habe (frequenzgang auf
achse von Hochtöner und Tieftöner; Impedanzgang von beiden) und gewiss
eine Woche lang verschiedene Weichen-versionen probiert und gehört
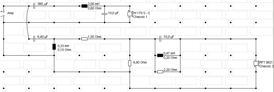
habe, bin ich inzwischen bei dieser variante angekommen:

Der Hochpasskondenstaor vor dem bass muss evtl noch weichen, sorgt aber
dafür, das die, durch das für den bass eigentlich zu kleine Volumen,
Überhöhung bei 100Hz ausgeglichen wird. Hier eine Nahfeld-Messung des
Basses mit und ohne die 380µF vor dem Bass:
Die Messung ist freilich nur bis 500Hz sinnvoll verwertbar, betrachtet
werden sollte hier nur der bereich 50-500Hz. Man sieht eindeutig, wie
die Überhöhung um schätzungsweise 5 dB glattgebügelt ist (schwarzer
Graph). Und das hört man auch!
Zurück zur Weiche: 12dB vor dem bass, ebenso vor dem Hochtöner plus
eine moderate Pegelabsenkung und einem Sperrkreis, der die
Gesamtenergie um 4khz herausnimmt. Das ist nicht die feine englische
Art, aber es macht den Klang deutlich angenehmer, zumindest in meinem
Umfeld. Hier ein sogenanntes Sonogramm, links dieht man die Winkel,
unter denen die Box gemessen wurde und rechts die Legende - wie stark
der pegel jeweils unter dem angegebenen Winkel ist. man sieht, das bei
4khz mit Sperrkreis deutlich weniger rote Bereiche vorhanden sind, es
wird alles etwas gleichmäßiger.

Diese Weichenvariante werde ich bis auf weiteres behalten, erste
Probehörer waren schon da, weitere werden kommen und der Rest ergibt
sich, Bilder von der fertigen Box mit Furnier-Finish gibts dann
natürlich auch :)